

1. Descripción general del producto
El grupo de válvulas de control del acumulador se instala principalmente entre el acumulador y el sistema hidráulico. Consta de una válvula de cierre, una válvula de seguridad y una válvula de descarga. Se utiliza para controlar el encendido, el desbordamiento y la descarga del acumulador. Tiene una estructura Tiene las características de rendimiento compacto, conexión flexible y fácil operación. La descarga tiene descarga manual o descarga electromagnética.
2. Características
① Se puede configurar la presión de trabajo segura del dispositivo de energía animal, o se puede suministrar líquido y mantener la presión al sistema hidráulico;
② Se utiliza para controlar el encendido y apagado del canal de flujo entre el dispositivo de energía animal y el sistema hidráulico;
③ Cuando el dispositivo de energía animal suministre líquido al sistema o el sistema llene el dispositivo de energía animal con líquido, abra la válvula de bola manual en las condiciones de absorción de pulsaciones y capacidad de compensación, y cierre la válvula de bola manual cuando sea necesario detener el trabajo. o utilizar el dispositivo de energía animal para el mantenimiento;
④ Si es necesario, se puede descargar mediante válvula de descarga manual o descarga electromagnética.
3. Parámetros del modelo
AJ _ ※ _ ※ ※ ※ / ※
① ② ③ ④ ⑤ ⑥
① Código de nombre: grupo de válvulas de control del acumulador
② Forma de descarga: S—descarga manual (tipo estándar) D—con descarga electromagnética
③ Diámetro nominal: 10, 20, 32 mm
④ Clasificación de presión de la válvula de seguridad: a-6.3MPa b-16MPa
c-25Mpa h-31.5Mpa
⑤Modo de estructura: Z—válvula de alivio de acción directa
⑥Rosca de unión del acumulador: M27×2, M42×2
M60×2, M72×2
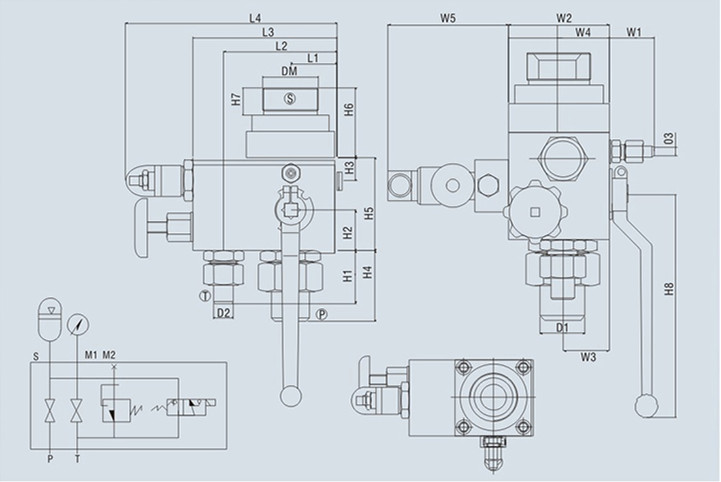
4. Principio estructural y dimensiones externas
El grupo de válvulas de control del acumulador se compone de tres cuerpos de válvulas principales, que incluyen una válvula de globo con núcleo esférico de alta presión, una válvula de alivio de control directo y una válvula de globo peque?a (establece la presión mecánica máxima), mientras que la válvula de cierre es una Válvula de seguridad. Los tres cuerpos de válvula se coordinan entre sí y forman parte integral del circuito acumulador en el sistema hidráulico.

5. Especificaciones técnicas
Modelo | DN | PN | tama?o básico(mm) | |||||||||||||||||||
L1 | L2 | L3 | L4 | W1 | W2 | W3 | W4 | H1 | H2 | H3 | H4 | M1 | M2 | |||||||||
AJS-10※Z※ | 10 | 10 20 31.5 | 25 | 68 | 90 | 155 | 42 | 50 | 22.5 | 25 | 40 | 24 |
| 55 | M14×1.5 | |||||||
AJS-20※Z※ | 20 | 45 | 105 | 145 | 210 | 42 | 90 | 40 | 45 | 53 | 32 | 20 | 60 | |||||||||
AJS-32※Z※ | 32 | 50 | 122 | 155 | 225 | 42 | 95 | 42 | 47.5 | 53 | 38 | 20 | 78 | |||||||||
Modelo | tama?o básico(mm) | peso(Kg) | ||||||||||||||||||||
H5 | H6 | H7 | H8 | D1 | D2 | D3 | DM | |||||||||||||||
AJS-10※Z※ | 85 | 31/35 | 16/23 | 130 | 22 | 17 | 10 | M27×2/M42×2 | 4 | |||||||||||||
AJS-20※Z※ | 90 | 63/75 | 23/30 | 170 | 28 | 22 | 10 | M42×2/M60×2 | 13 | |||||||||||||
AJS-32※Z※ | 100 | 75/80 | 30/35 | 210 | 42 | 22 | 10 | M60×2/M72×2 | 15 | |||||||||||||
Modelo | DN | PN | tama?o básico(mm) | |||||||||||||||||||||
L1 | L2 | L3 | L4 | W1 | W2 | W3 | W4 | W5 | H1 | H2 | H3 | M1 | M2 | |||||||||||
AJD-10※Z※ | 10 | 10 20 31.5 | 25 | 69 | 90 | 155 | 42 | 50 | 22.5 | 25 | 113 | 40 | 24 |
| M14×1.5 | |||||||||
AJD-20※Z※ | 20 | 45 | 105 | 145 | 210 | 42 | 90 | 40 | 45 | 113 | 53 | 32 | 20 | |||||||||||
AJD-32※Z※ | 32 | 50 | 122 | 155 | 225 | 42 | 95 | 42 | 47.5 | 113 | 53 | 38 | 20 | |||||||||||
Modelo | tama?o básico (mm) | peso(Kg) | ||||||||||||||||||||||
H4 | H5 | H6 | H7 | H8 | D1 | D2 | D3 | DM | ||||||||||||||||
AJD-10※Z※ | 55 | 85 | 31/35 | 16/23 | 130 | 22 | 17 | 10 | M27×2/M42×2 | 4 | ||||||||||||||
AJD-20※Z※ | 60 | 90 | 63/75 | 23/30 | 170 | 28 | 22 | 10 | M42×2/M60×2 | 13 | ||||||||||||||
AJD-32※Z※ | 78 | 100 | 75/80 | 30/35 | 210 | 42 | 22 | 10 | M60×2/ M72×2 | 15 | ||||||||||||||
Presión nominal: 6.30~31.5MPa
Medio aplicable: aceite mineral, agua-glicol y emulsión
Temperatura media: -15 ℃ ~ + 65 ℃
6. Instrucciones de pedido
① Al realizar el pedido, se debe especificar el nombre completo del código del modelo, como: la presión de trabajo es de 31,5 Mpa, el diámetro es de 20 mm, el tipo estándar, el grupo de válvulas de control del acumulador de la interfaz del acumulador rosca M42×2: AJS- 20HZ/M42×2.
② Si tiene requisitos especiales para el grupo de válvulas de control del acumulador, consulte con nuestra empresa.
③ La empresa se reserva el derecho de modificar el dise?o sin previo aviso.